Устройство и принцип работы
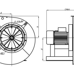
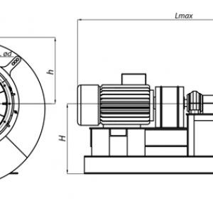
Устройство ВДН-15-1500 состоит из рабочего колеса, улитки, всасывающей воронки, осевого направляющего аппарата и установочной рамы. Движение рабочего колеса провоцирует возникновение воздушных потоков, которые через коллектор поступают в каналы и за счет центробежной силы попадают к центру, после чего выходят наружу.
Условное обозначение
Вентилятор ВДН-*, где:
- В – вентилятор;
- Д – дутьевой;
- Н – лапки загнуты назад;
- * – величина рабочего колеса в диаметре.
Особенности и преимущества
- Применяются в условиях умеренного климата 1-3 категории (согласно ГОСТ 15150);
- Интервал допустимой температуры воздуха при эксплуатации: от - 30 до +40;
- Имеет исключительно одностороннее всасывание;
- Спиральный корпус изделия;
- Частота вращения вентиляторов типа ВДН: 1500, 1000 или 750 оборотов в мин;
- Двигатель может вращаться как в правую, так и в левую сторону.
Размещение и установка
Как правило, вентиляторы типа ВДН-15-1500 комплектуются собственной рамой или монтируются на фундамент. Климатические требования к эксплуатации данного типа вентиляторов: от -30 до +40. При монтаже тягодутьевой конструкции типа ВДН-15-1500 необходимо учитывать определенную последовательность установки.
Эксплуатация и техническое обслуживание
ВДН-15-1500 применяются совместно с котлами твердотопливного типа. Оборудование обеспечивает стабильную подачу свежего воздуха в необходимом количестве. При помощи данных вентиляторов улучшается общая стабильность работы котла.
Установки ВДН-15-1500 не требуют специального обслуживания. Для поддержания работоспособности вентилятора достаточно систематически проверять состояние электрической проводки, а также вращательные механизмы.
Комплектация
Вентиляторы типа ВДН-15-1500 поставляются в полной заводской сборке.



















